压力类型使用说明温度计
普通压力类型温度计

用自己的方式
WTZ-280和WTQ-280压力类型温度计适用于20米内不腐蚀铜和铜合金的液体、气体和蒸汽的温度测量。
主要技术数据
1.基本参数
模型
温度测量范围℃
精密等级
安装接头
额定压力
WTZ-280
-20~+60
2.5
M27 &时代;2
或者
NPT3/4
1.6MPa
或者
6.4 MPa
0~50
0~100
1.5
0~120
20~120
60~160
注:由于蒸发液体的饱和蒸汽压与温度变化不相称,请使用刻度盘的后2/3。模型
温度测量范围℃
精密等级
安装接头
额定压力
WTQ-280
-40~+60
1.5
或者
2.5
M27 &时代;2
或者
NPT3/4
1.6MPa
或者
6.4 MPa
0~160
0~200
0~300
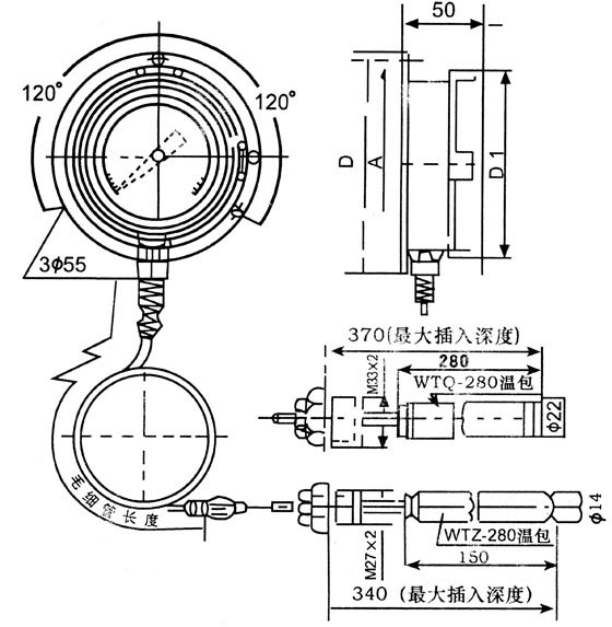
注:仪器可以在-10~+55的环境温度下正常工作2.测量长度
规格
毛细管长度(米)
插入深度调整(mm)
z型
1~10
120~210
10~15
150~240
15~20
200~290
q型
1~20
280~370
(小温包)
1~10
150~240
15~20
200~290
3.总尺寸铜毛细管长度不超过20米,不锈钢毛细管长度不超过10米。
总尺寸(毫米)
表面直径D1 a150 &奥斯拉什;156 & Oslash160 & Oslash172 100 & Oslash117 & Oslash120 & Oslash130

压力类型电接点温度计
压力类型电接点温度计用于在相对较长的距离测量液体或气体的温度。当工作温度达到或超过一个固定值时,它会发出一个电信号。仪器还可以使用温度调节系统的电路触点开关。WTX280压力型温度计,288型电接点压力型温度计,适用于测量20米内不腐蚀铜合金的液体、气体和蒸汽的温度,当工作温度达到或超过给定值时可以发出电信号。温度计也可用作温度调节系统中的电路触点开关。
备注:WTZ-288、WTQ-288 电接点温度计联系电源为10VA
主要技术数据
型号WTZ-280 WTQ-280 WTZ-288 WTQ-288公称直径(mm)&φ;100,& Phi150φ;150φ;150φ;150等级1.5 1.5 1.5 1.5 1.5尾部长度(m) 3-20m(不锈钢防腐型3-10m)安装螺纹M27x2 M33x2 M27x2 M33x2温度测量范围WTZ:-20-60,0-50,0-100 WTQ:-80-40,-60-40,0-160
20 ~ 120,60~160,100~200,0~300
1.使用前应检查温度计的有效期。如果过期,应重新检查。
2.温度计应在环境空气温度为-10~+55℃且相对湿度不超过80%的环境中使用。
3.温度计应无振动地垂直安装在安装板上。z 温度计应尽可能保持在与暖包装相同的水平位置,以减少因静液柱作用而产生的额外误差。
4.温度包必须完全浸入被测介质中(并将温度包尽可能深地插入嘴中,以减少温度包安装螺栓散热造成的误差),被测介质必须频繁流动。
5.在安装过程中,毛细管应是直的,并以不超过300毫米的间隔用滚动头固定。毛细管的弯曲半径不应小于50毫米。
6.温度计正常工作温度应为测量范围的1/2~3/4。
7.温度计应避免任何情况下的振动、碰撞和冲击(无论搬运、安装或功能等)。)。
8、如测量铜及铜合金上的腐蚀性液体、气体和蒸汽,订货时请注明。
9.如果您对温度袋的尺寸有特殊要求,可以定制。
“压力类型使用说明温度计 ”本文地址,转载请勿删除!http://www.6j07.cn/gynews/3645.html