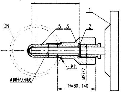
一、[/k7/]温度计外螺纹连接及安装示意图

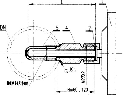
二.双金属温度计内螺纹连接安装示意图

三.双金属温度计安装图说明
序列号
姓名
规格型号
量
评论
1
双金属温度计
根据现场用户的需要
2
垫圈
∮24/14也可以基于用户的现场设备的需求
3
直连接器(内螺纹)
M27 &时代;2也可以根据用户现场设备的需要
4
直连接器(外螺纹)
M27 &时代;2也可以根据用户现场设备的需要
5
套管
∮22×;3也可以根据用户现场设备的需要
四.适用范围
额定压力
期票
MPa
试验压力
(t & le100℃)
MPa
在下列介质温度(℃),* *工作压力兆帕下
直连接器的材料类别
& le100
150
200
250
300
350
400
P10
P15
P20
P25
P30
P35
P40
6.3
8.0
5.10
4.85
4.47
4.10
3.72
3.15
20
6.24
5.8
5.48
5.17
4.91
4.66
4.54
304
五、安装注意事项
1、H = 120mm毫米,140毫米用于有保温层的管道或设备;
2.焊脚的高度不小于两相焊件*小管的壁厚;
3.材质:无腐蚀场合直缝:20号钢;垫圈:根据介质和温度选择。腐蚀性场合用直连接器:304;垫圈:根据介质和温度选择;
4.第5部分用于严格禁止泄漏的场合。材料与母材料相同,一般情况下不需要母材料。
5.双金属温度计具有轴向和径向。径向安装与此图相同。
6.当双金属温度计安装在DN大于80的管道中时,应采用扩大管道。
“双金属温度计正确的安装方法 ”本文地址,转载请勿删除!http://www.6j07.cn/gynews/1770.html